Ecm Wiring Diagram 1990 Ford T Bird 3 8

Download Ecm Wiring Diagram 1990 Ford T Bird 3 8 Gif. This typical ignition system circuit diagram applies only to the 1997, 1997, and 1999 4.6l v8 ford f150 and f250 only. Kenworth trucks service and repair manuals, spare parts catalogs, electrical wiring diagrams free download.

1999 Discovery Freightliner Motorhome 5.9 Engine Ecm ...
1999 Discovery Freightliner Motorhome 5.9 Engine Ecm ... from schematron.org
And also car's electrical wiring diagrams, fault codes list, reviews, news. The table below lists several mcu cabling pinouts. Kenworth wiring schematics wiring diagrams.jpg.

I'm mainly looking for diagrams associated with the can bus wiring and ecu(pcm).

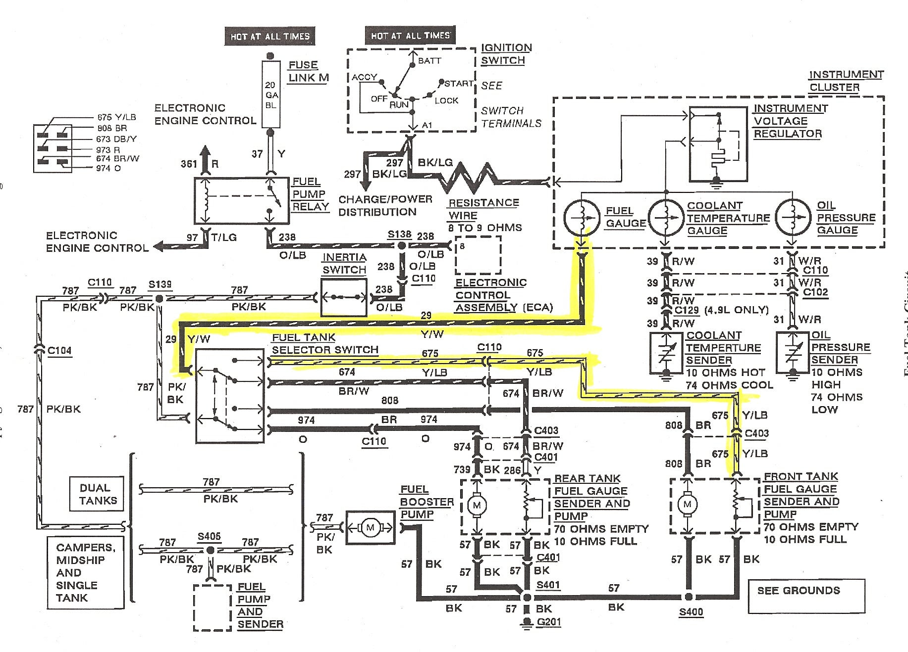
An electrical wiring diagram (also known as a circuit diagram or electronic schematic) is a pictorial representation of an. The table below lists several mcu cabling pinouts. I'm mainly looking for diagrams associated with the can bus wiring and ecu(pcm). Need ecm wiring diagrams to injection need wiring diagram oj izusu 4jg2 need pin for fuel sending unit from ecm to gauge.


Belum ada Komentar untuk "Ecm Wiring Diagram 1990 Ford T Bird 3 8"

Posting Komentar

Iklan Atas Artikel

Iklan Tengah Artikel 1

Iklan Tengah Artikel 2

Iklan Bawah Artikel